|
Sida 3 av 3
|
|
|---|---|
|
Ja bra med lösning. Det kanske inte är så vanligt men gaspo fick åxå just byta termostat två gånger (samma fel). Fick i alla fall felkod 2EF5 vid körning utan inkopplat värmeelement i termostaten. --- Det är bara döda fiskar som följer med strömmen. |
|
|
Motorstyrningen är som sagt svår att förstå och det är en gåta varför motortempen sänks med 20° när man svänger av motorvägen. Här syns rätt tydligt att när hastigheten sjunker under 87 km/h så sätts värmeelementet i termostaten på max. (Den vanliga hastighetsmätaren visar lite mer, ~90.) --- Det är bara döda fiskar som följer med strömmen. |
|
|
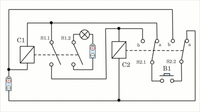
Kör man lugnt och det är fint väder tycker motorstyrningen att motorn ska vara 80°. Tröttnade på det, så satte ett relä över värmeelementet i termostaten. Liknande som jag gjorde i 325an, fast då kopplade på kablarna vid termostaten. Här gick jag på utgången på DME i motorstyrningslådan, och satte relät där. Länk Länk Relät kopplat NC (normalt händer inget, när relät drar bryts matningen till elementet). Gjorde en hållkrets med två små relän. Länk Satte en tryckknapp lite dålt, för på-av. Länk (Den andra är för en annan funktion.) En liten röd lysdiod som indikerar att relät är draget. Länk Länk Styrningen kopplad så att den nollas när bilen somnar. --- Det är bara döda fiskar som följer med strömmen. |
|
|
|
|
Du måste vara en registrerad användare för att kunna göra inlägg här.
Klicka här för att registrera dig. Registreringen är gratis.
Är du redan användare? Logga in i menyn.
Klicka här för att registrera dig. Registreringen är gratis.
Är du redan användare? Logga in i menyn.
