Jag har retat mig på det usla ljudet i min touring. Det är alltså en 530iA touring -93, extrautrustad från fabrik med HiFi-paketet innehållande 10 högtalare till skillnad från standard 6 högtalare. Huvudenhet är en JVC KD-LH7R, vilken jag handhavandemässigt är mycket nöjd med. 10 högtalare innebär dock inte att det låter bra, snarare tvärtom. Dessa 10 högtalare är placerade enligt följande. Fram: 5 1/4 basar i kickpanelarna, mellanregister ovanpå instrumentpanelen och diskanter i backspegelhörnen. Bak sitter 5 1/4 midbasar i taket i bagageutrymmet och diskanter likaledes i taket men framåtriktade. Åskådliggörande bilder följer nedan.
Saknas HiFi-paket sitter inga diskanter i backspegelhörnen utan är monterade på instrumentpanelen. Bak finns det då inga framåtriktade skrikor utan högtalarna i taket är av koaxialtyp.
Observera att inga ambitioner finns på någon slags proffsljud eller att kunna köra fredagsdisko utanför McDonalds. Inte heller installationen som beskrivs gör anspråk på att vara proffsmässig. Detta är ämnat för normallyssnaren som vill göra det bästa av situationen snarare än ljudbyggaren som vill veta var man stoppar så många och stora element som fysiskt möjligt. Jag har bara försökt undvika att man tänker DUX-stereo från 1977 när man äntrar bilen.
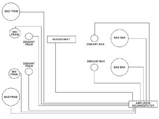
Först tog jag reda på hur ljudsystemet var kopplat. Se schematisk bild. Från huvudenheten går höger/vänster/fram/bak/alla högtalarkablar till en amplifier som på touring är placerad innanför panelen längst bak vid vänster bakskärm. Denna fungerar också som ett delningsfilter och kablar till alla 10 högtalarna utgår från den. Detta borde innebära närmare 10 meter kablage för framsystemet, kan inte vara bra.
Alla kablar på bilden är således högtalarkablar och från huvudenhet till amplifier går alltså 8 kablar vilket för enkelhets skull är ritat som en på bilden. Jag går inte in på färgmärkning av kablarna, det skiljer mellan modeller och är ganska lätt att spåra själv. Amplifiern har givetvis strömförsörjning med mera, men detta är för tydlighetens skull inte inritat.
Jag beslutade mig för att helt enkelt skippa den s.k. amplifiern. Att dra helt nya kablar till framsystemet och använda mig av originalkablage till baksystemet men förbikoppla amplifiern.

Dags att köpa högtalarkit. På BRL Västerås lät Lanzar VPRO51 klart och rent med såpass mycket tryck som man kan begära för 1788:-. Dessa får det bli fram. Bak är det kritiskt med utrymme i djupled för 5 1/4:ingarna varför man bör tillse att högtalarna inte bottnar. Bra kit vars midbasar uppvisar utrymmessnåla magneter var Lanzar NEO5C och dessa hade ett dagspris på 1488 riksdaler.

Peta upp täcklocket och byt befintliga mellanregister mot diskanterna (är det inte HiFi-paketet sitter diskanterna här). Jag placerar alltså de nya diskanterna på de gamla mellanregistrens plats och låter de ursprungliga diskanterna i backspegelhörnen sitta kvar men vara inaktiva.

Lanzar-diskant på plats.

Sedan snäpper jag bort handskfacket, och tar bort panelen ovanför. Kanske ej nödvändigt men allt går så mycket lättare då, särskilt kabeldragning. Jag lossar de två snäppskruvarna på kickpanelen och tar loss den bakåt.

De nya midbasarna har att annat bultmönster, så jag beslutar mig för att montera dom från utsidan. Detta bör dessutom vara gynnsamt för ljudet.

Sticksågen har gjort sitt.

Elementet på plats.
Dags för delningsfiltren att göra entré. Dessa är rätt stora men i hålrummen bakom kickpanelerna finns gott om plats. När kablaget är kopplat och testat skruvar jag fast dom i utrymmet ovanför uttaget.

Repetera på vänster sida. Fotstödet gör att det är något trängre men inga stora problem.
Sedan går jag in i ISO-kablaget och kapar högtalarkablarna till framsystemet i avsikt att dra kabel direkt till delningsfiltren. Vilka kablar som är vilka är tydligt utmärkt på kontakten som sitter i huvudenheten.
Kabel går nu direkt från huvudenheten till delningsfiltren fram. Total kabellängd nu drygt en meter i stället för närmare 10 meter.
Dags för baksystemet. Skrikorna först. Peta loss täcklocket i nederkant och lossa det.

Midbasarna sedan. Lossa täckgallret i bakkant först och dra det försiktigt neråt (notera: här är nya elementen monterade).
Så här såg dom gamla Nokia-elementen ut:

Och dom nya på plats. Bara att skruva ur dom gamla och i med dom nya. Jag använde alltså originalkablarna bak.

Dags att ta sig in till amplifiern bak. Lossa luckan, skruva loss panelen innanför för att exponera amplifiern.

Här är panelen lossad och amplifier-aset bortkopplad. Viss farhåga fanns för att burken i fråga även skötte antennförstärkningen, men så var inte fallet. Radiomottagningen var utmärkt även med borttagen amplifier.

Dags att förbikoppla amplifiern. Ingående högtalarkablar drogs till delningsfiltrets ingång och utgående högtalarkablar till utgångarna naturligtvis. Vilka som är vilka ses lätt genom att identifiera kabelfärgen dels vid själva högtalarna, dels vid ISO-kontakten vid huvudenheten.

Delningsfiltren kopplade och klara. Det fanns plats för dom där amplifiern satt, innanför panelen, men jag såg ingen nackdel att fästa dom direkt innanför den öppningsbara luckan. För lätt åtkomlighet om behov skulle uppstå att pilla på dom. Dom är faktiskt heller inte helt oangenäma att vila ögonen på. Alles klar!
|
Hur låter det då? Otroligt mycket bättre. Särskilt framsystemet är utmärkt för normalbehov i jämförelse med innan. Bak är det emellertid fortfarande lite tunn och skramlig bas. Enligt uppgift är den akustiska miljön där inte särskilt gynnsam oavsett vilka element man skruvar dit.
Tack till BRL i Västerås för tips och rådgivning.
|