|
|
|
|---|---|
|
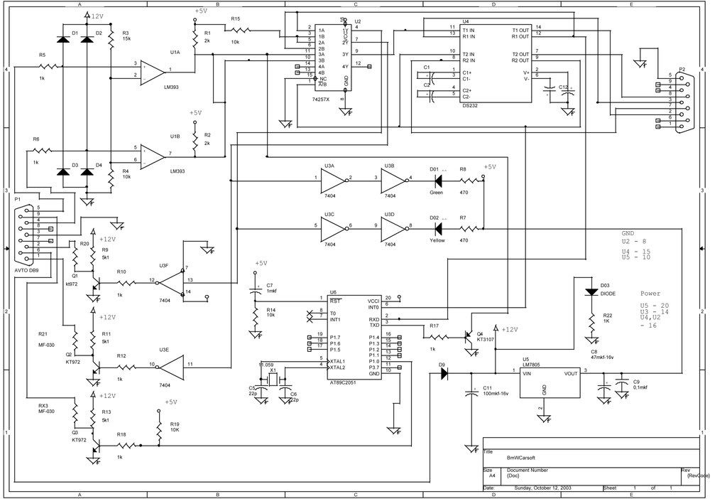
Var hittar jag guide och elschema för att bygga eget interface 6,5? (Har Carsoft 6.5, då är det väl den intrefacen jag ska använda om jag fattat det rätt..) Någon som vet? | |
![]() 23.268 520i-1989 Alpinevit II
BMWCS 04247 Monark 50S 69-71 Ariel LH Colt -1954 Yamaha xs400 12E Seca -82 Honda CB 650-82 Captur Intens II-19 |
Meningslös sysselsättning då ett färdigt interface kostar $49 usd i princip mindre än de lösa delar och kontakter du får inhandla. ///MVH Yngve "Hasso" Carlsson Länk |
|
Att man kan köpa en färdig är jag medveten om. Det jag undrar är om någon har elschema på boxen ;) Tacksam för svar.. "folke" du kanske vet? såg att du hade byggt en för några år sen |
|
|
Till Carsoft 6.5 behöver du firmware till den Atmel MCU som gör jobbet , resten i boxen är bara spänningsomvanling, skydd och stabilisering. Länk |
|
|
Säger ungefär som föregående inlägg. Det är svårt för att inte säga omöjligt att få tag i proggad mcu. Det jag byggt för många år sedan är det enkla interface som funkade till tidig CS och som arbetar med dubbla comportar på PC:n med ett dosprogram osv. Förutom svårigheten med kontrollkretsen så kan man knappast bygga för det pris som man kan köpa färdigt interface för. FP |
|
|
|
|
Du måste vara en registrerad användare för att kunna göra inlägg här.
Klicka här för att registrera dig. Registreringen är gratis.
Är du redan användare? Logga in i menyn.
Klicka här för att registrera dig. Registreringen är gratis.
Är du redan användare? Logga in i menyn.
